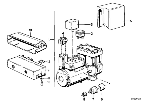
ЭБУ антиблокировочной системы для БМВ E28, модель 520i
| № | Наименование | Дополнение | Кол-во | Вып. с | Вып. до | Номер | AE |
|---|---|---|---|---|---|---|---|
| 01 | Гидроагрегат | 1 | 34511155051 | E | |||
| 02 | Реле управления клапанами гидр.узла ABS | 1 | 34511154228 | ||||
| 03 | Реле электродвигателя | 1 | 34511179402 | ||||
| 04 | Хомут | 1 | 34511154335 | E | |||
| 05 | Защитный колпак | 1 | 34511154160 | E | |||
| подходит только при | |||||||
| -- | Гидроагрегат | X | 34511154159 | E | |||
| 05 | Защитный колпак | 1 | 34511155052 | ||||
| подходит только при | |||||||
| -- | Гидроагрегат | X | 34511155051 | E | |||
| 06 | Резинометаллический шарнир | 3 | 34511150134 | ||||
| 07 | Опора | 2 | 34511150132 | ||||
| 08 | Гайка с буртиком самоконтрящаяся | M8-8-ZNS | 2 | 12.1987 | 31331092887 | AE | |
| 08 | Гайка с буртиком самоконтрящаяся | M8-8-ZNS3 | 2 | 12.1987 | 07119904295 | ||
| 08 | Гайка с буртиком самоконтрящаяся | M8-10 ZNS3 | 2 | 07119905374 | |||
| 09 | ЭБУ системы ABS | 1 | 34521154998 | E | |||
| 10 | Винт самонарезающий со сферич.головкой | ST6,3X13 | 2 | 07119906791 | E | ||
| 11 | Зубчатая шайба | A6,4 | 2 | 07119936133 |