34_1759
Сервисный к-т торм.колодки / Value Line
 |
34_2329
Датчик износа торм.накладки пер.колеса
 |
34_2328
Диск тормозного механизма перед.колеса
 |
34_2332
Датчик износа торм.накладки колеса Зд
 |
34_0531
Трубопровод тормозного привода c ABS Пд
 |
34_0575
Трубопровод тормозн.привода Пд ABS/ASC+T
 |
34_0378
Трубопровод торм.прив.диск.торм.мех. Зд
 |
34_0458
Трубопровод тормозн.привода Зд ABS/ASC+T
 |
34_0382
Гидроагрегат ABS/ASC/ЭБУ/кронштейн
 |
34_2330
Главный тормозной цилиндр/бачок
 |
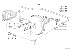
34_0388
Вакуумный усилитель тормозов
 |
34_0477
Вакуумный усилитель тормозов
 |
34_0410
Рычаг стояночного тормоза
 |
34_0339
Стояночный тормоз/тормозные колодки
 |