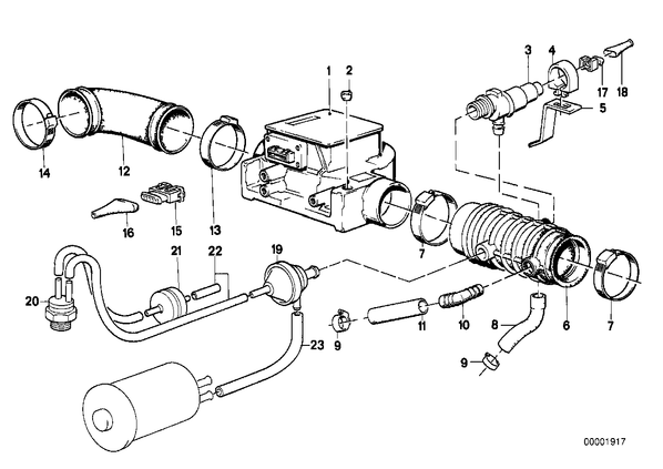
Запчасти из Германии / Запчасти БМВ / Запчасти E28 / 535i / Группы запчастей / Группа 13 «Подготовка и регулир. рабочей смеси» / Расходомер воздуха Расходомер воздуха для БМВ E28, модель 535i № Наименование Дополнение Кол-во Вып. с Вып. до Номер AE 01 Расходомер воздуха 1 06.2004 13621286064 E 01 Возвратный расходомер воздуха 1 13627547981 02 Колпачок SERVICE 1 13621274118 E 03 Клапан регулировки х.х.L-образный 1 13411286065 E 04 Резинометаллический шарнир 1 13411705564 05 Кронштейн клапана холостого хода 1 13411710794 AE 06 гофрированный кожух 1 13541707080 07 хомут L77-84 2 07129952131 08 Шланг 1 13411710793 09 хомут L23-29 2 12.1995 07129952111 09 хомут L16-30 2 64218367179 10 Угловая муфта 1 13541272473 11 Шланг для прокачки D=20MM 1 11151276485 12 Шланг 1 13711261370 13 хомут L83-90 1 07129952133 14 хомут L71-78 1 07129952129 15 Корпус вилки разъема 5 POL. 1 06.1986 12521706069 AE 15 Корпус вилки разъема 1 12521706097 16 Защитный колпачок L=27,0MM 1 61131270973 17 Корпус вилки разъема 3 POL. 1 06.1986 12521706068 E 17 Корпус вилки разъема 1 12521706096 18 Защитный колпачок L=17,5MM 1 61131358603 19 Воздушный клапан 1 11631706273 20 Термостат 45CEL 1 11741264132 21 Клапан замедленного действия 60S 1 11631711519 22 Вакуумный шланг Schwarz 3,3X1,75 X 51731257971 E 22 Вакуумный шланг Schwarz 3,3X1,8 X 11747797175 E 22 Вакуумный шланг Schwarz 3,5X1,8 X 11727545323 23 Топливный шланг 8X13MM X 16121180409