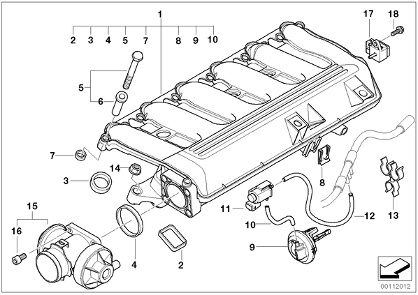
Система впуска с AGR - вакуумное упр. для БМВ E60, модель 530d M57N
№ | Наименование | Дополнение | Кол-во | Вып. с | Вып. до | Номер | AE |
---|---|---|---|---|---|---|---|
01 | Впускной трубопровод с управл.заслонками | 1 | 11617800580 | ||||
02 | Профильная прокладка | 6 | 11617790198 | ||||
03 | Профильная прокладка | 6 | 11612246945 | ||||
04 | Резиновая прокладка | 1 | 11612245439 | ||||
05 | элемент крепления | M6X42 | 12 | 11612246948 | |||
06 | Резинометаллический шарнир | 7 | 11612246947 | ||||
07 | Опорное кольцо | 7 | 11612246949 | ||||
08 | Гайка с пружинным зажимом C | M6-ZNS3 | 2 | 51127070202 | |||
09 | Мембрана вакуумного регулятора | 1 | 11617786961 | ||||
10 | Вакуумный шланг Weiss | 3,3X1,8 | X | 11747797177 | |||
11 | Электромагнитный клапан | 1 | 11747810831 | ||||
12 | Вакуумный шланг Schwarz | 3,5X1,8 | X | 11727545323 | |||
13 | Держатель шланга | 3 | 11742248843 | ||||
14 | Гайка фланца | M7 | 7 | 11617545279 | |||
15 | Клапан возврата отработавших газов | 1 | 11717804379 | ||||
15 | Оборотный клапан возврата ОГ | 1 | 11718479606 | ||||
16 | Болт с внутренним Torx с шайбой | M6X25-U1-8.8 | 4 | 07129905558 | |||
17 | Датчик давления | 1 | 13617787142 | ||||
18 | Болт с шестигранной головкой с шайбой | M6X14-U1-8.8 | 1 | 07119905525 |