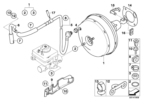
Вакуумный усилитель тормозов для БМВ E61, модель 530xi
| № | Наименование | Дополнение | Кол-во | Вып. с | Вып. до | Номер | AE |
|---|---|---|---|---|---|---|---|
| 01 | Усилитель тормозов | 1 | 34336779742 | ||||
| только в комбинации с | |||||||
| -- | Уплотнит.прокладка усилителя тормозов | 1 | 34336753979 | ||||
| -- | Гайка с буртиком самоконтрящаяся | M8-10 ZNS3 | 2 | 07119905374 | |||
| 02 | Кольцо кругл.сеч.глав.тормозн.цилиндра | 1 | 34311159007 | ||||
| 03 | Гайка шестигранная самоконтрящаяся | M8-8-ZNNI SI | 2 | 07129906196 | |||
| 04 | Уплотнительное кольцо | 1 | 34331158929 | ||||
| 05 | вакуумный трубопровод | 1 | 34336769631 | ||||
| 06 | вакуумный трубопровод | 1 | 34336762103 | ||||
| 07 | хомут | 21,3MM | 2 | 11151726339 | |||
| 08 | Резиновая втулка | 1 | 34336765230 | ||||
| 09 | Уплотнитель перегородки | 1 | 34306760911 | ||||
| 10 | Самонарезающий винт с шайбой | ST 4,8X19 | 3 | 07119904263 | |||
| 11 | Распорная гайка | ST 4.8 WEISS | 3 | 63171367868 | |||
| 12 | Кронштейн | 1 | 34337571857 | ||||
| 13 | Держатель провода, двойной | 1 | 61138380213 | ||||
| 14 | Уплотнит.прокладка усилителя тормозов | 1 | 34336753979 | ||||
| 15 | Палец стопорный | D=10X29,5/PBX | 1 | 35216753830 | |||
| 16 | Предохранитель | B10-ZNS3 | 1 | 07129904567 | |||
| 17 | Вакуумный шланг Schwarz | 3,5X1,8 | 1 | 11727545323 |