33_1135
Сторона входа/выхода редуктора зад.моста
 |
33_1102
Комплект уплотнителей редукт.задн.моста
 |
33_1103
выходной вал
 |
33_1173
балка заднего моста
 |
33_1111
Балка заднего моста/подвеска колеса
 |
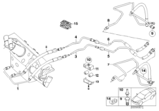
33_1113
Датчик регулировки угла наклона фар
 |
33_1114
Полуось задн.моста/подшипн.ступ.колеса
 |
33_1115
Дополнит.детали амортизац.стойки Зд
 |
33_1269
Амортизационная стойка Зд EDC/ЭБУ/датчик
 |
33_1272
Стабилизатор Зд/Dynamic Drive
 |
33_1273
Дополнительные детали/Dynamic Drive
 |
33_1127
Сист.рег.дор.просвета/пневмоаморт/датчик
 |