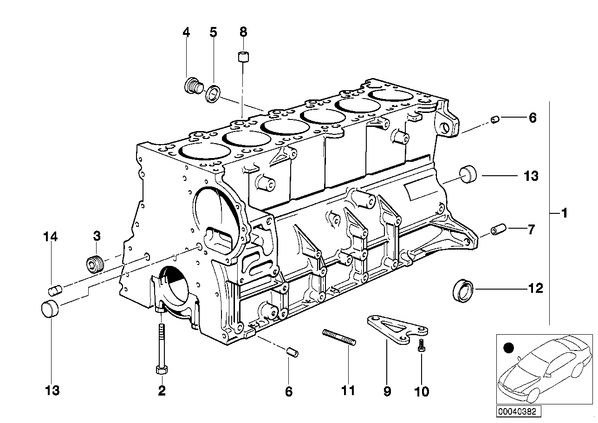
Блок-картер двигателя для БМВ E36, модель M3 3.2
| № | Наименование | Дополнение | Кол-во | Вып. с | Вып. до | Номер | AE |
|---|---|---|---|---|---|---|---|
| 01 | Блок цилиндров с поршнями | 1 | 11111405514 | ||||
| 02 | Болт с шестигранной головкой | M10X75 | X | 11111735525 | |||
| 04 | Резьбовая пробка | M14X1,5-ZNNIV | 1 | 07119904539 | |||
| 05 | Уплотнительное кольцо | A14X18-AL | 1 | 07119963200 | |||
| 06 | Центрирующая втулка | D=10,5MM | 6 | 11121726238 | |||
| 07 | Центрирующая втулка | D=14,5MM | 2 | 11111743118 | |||
| 08 | Центрирующая втулка | D=13,5MM | 2 | 11121726243 | |||
| 11 | Установочный штифт | M8X35 | 2 | 07129908130 | |||
| 12 | Крышка | D=45MM | 7 | 11111714712 | |||
| 13 | Пробка | D=12,0MM | 2 | 11111268539 | |||
| 14 | Болт крышки подшипника | 1 | 11111748989 |