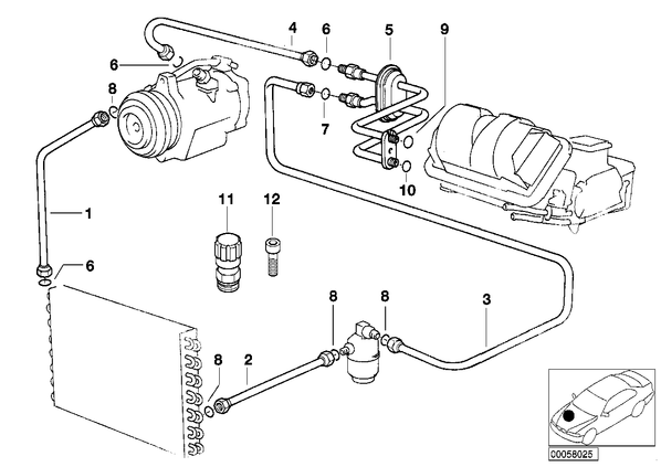
Запчасти из Германии / Запчасти БМВ / Запчасти E36 / 318i / Группы запчастей / Группа 64 «Отопление и кондиционирование» / Трубопроводы хладагента Трубопроводы хладагента для БМВ E36, модель 318i № Наименование Дополнение Кол-во Вып. с Вып. до Номер AE 01 Напорный трубопровод компрессор-конденс R12/R134A 1 09.1993 06.1997 64536902230 02 Напорный трубопровод конденсат.-осушит. R12/R134A 1 06.1997 64538391323 03 Напор.трубопровод осушитель-сдвоен.труба R134A 1 09.1992 06.1997 64538364097 04 Всасыв.трубопровод испарителя-компресс. R134A 1 06.1997 64538391775 06 Уплотнительное кольцо D=14MM 2 06.1997 64508390603 07 Уплотнительное кольцо D=11.1MM 1 05.1995 64508390602 07 Уплотнительное кольцо D=7,65MM 2 06.1997 64508390601 07 Уплотнительное кольцо D=11.1MM 1 06.1997 64508390602 08 Уплотнительное кольцо D=11.1MM 4 05.1995 64508390602 08 Уплотнительное кольцо D=11.1MM 4 06.1997 64508390602 09 Уплотнительное кольцо D=7 MM 1 06.1997 64508369240 10 Уплотнительное кольцо D=15,54 MM 1 06.1997 64508369241 подходит только к всасывающему трубопроводу 11 Золотник вентиля впускного трубопровода R134A 1 06.1997 64509177579 подходит только к напорному трубопроводу 11 Золотник вентиля напорного трубопровода R134A 1 06.1997 64509177577 12 Болт с цилиндрической головкой M8X25-8.8-ZNS3 1 08.2000 07119904102 AE 12 Винт ISA M8X25-10.9-ZNS3 1 07129904477