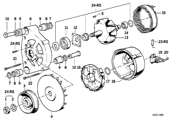
Запчасти из Германии / Запчасти БМВ / Запчасти E30 / 320i / Группы запчастей / Группа 12 «Электрооборудование двигателя» / Детали генератора на 80 А Детали генератора на 80 А для БМВ E30, модель 320i № Наименование Дополнение Кол-во Вып. с Вып. до Номер AE подходит только при -- генератор 80A X 12311288409 E подходит только при -- Оборотный генератор 90A X 12311289403 E 01 Гайка шестигранная M14X1,5 1 07119901309 02 Пружинное кольцо B14 1 07119933148 03 ременный шкив D=66MM 1 12311288238 04 Крыльчатка 1 12311735306 05 Сегментная шпонка 4X5 1 07119951453 06 Опора привода 1 12311288458 E 07 Стопорное кольцо 2 12311276226 08 Прокладочная шайба 4 12311268420 09 втулка 75 SHORE LANG 4 12311268433 09 втулка 90 SHORE LANG 4 12311268447 10 втулка 2 12311276227 11 Радиальный шарикоподшипник 47X17X14 1 12311722979 E 12 Пластина крепления 1 12311727740 13 АЮвЮа 1 12311288423 E 14 Радиальный шарикоподшипник 28X12X12 1 12311714521 15 Тороидальная обмотка 1 12311727758 E 16 Диодная панель LIMA 1 12311288457 17 Кольцо круглого сечения 1 12311276224 18 Подшипник со стороны контактных колец 1 12311288456 E 19 Регулятор 1 12311726022 20 Болт с цилиндрической головкой 2 12311747251 21 Болт с цилиндрической головкой 3 12311727760 22 Винт со сферо-цилиндрической головкой 1 12311738099 23 єЮЬЯЫХЪв гУЮЫмЭле йХвЮЪ 1 12311727756 24 Ремонтный комплект ротора 1 12311727762