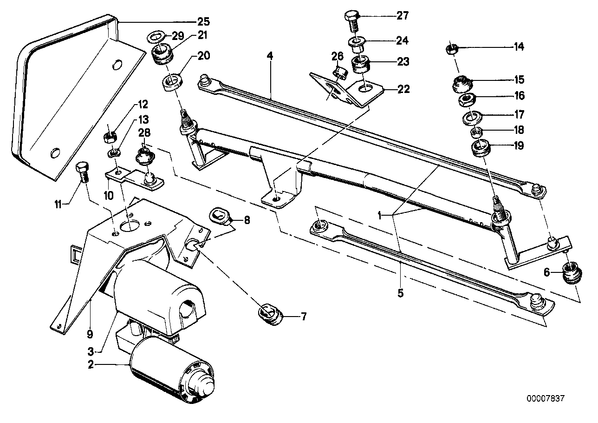
Запчасти из Германии / Запчасти БМВ / Запчасти E30 / 320i / Группы запчастей / Группа 61 «Общее э/оборудование автомобиля» / Система стеклоочистителя Система стеклоочистителя для БМВ E30, модель 320i № Наименование Дополнение Кол-во Вып. с Вып. до Номер AE 01 Рычажный механизм стеклоочистителя 1 61611370822 01 Рычажный механизм стеклоочистителя 1 61612942087 02 Электродвигатель стеклоочистителя 1 61611386157 02 Электродвигатель стеклоочистителя 1 61612903462 03 Защитный колпак 1 61601370814 E 04 Соединительная тяга 1 61611370828 04 Соединительная тяга 1 61612942092 05 Приводная тяга 1 61611370829 05 Приводная тяга 1 61612942091 06 гофрированный кожух D=16MM 1 61611372782 07 Демпфирующее кольцо 3 61611371919 08 втулка шарнира 3 61611371920 AE 09 Крепление 1 61611370802 E 10 Кривошип электродвигателя 1 61611370817 11 Болт с шестигранной головкой с шайбой M6X12-Z3-2 3 07119915014 12 Гайка шестигранная M6 1 08.1996 23112322368 E 12 Гайка шестигранная M6-8-ZNS 1 08.1996 07119922832 AE 12 Гайка шестигранная M6-8-ZNNIV SI 1 07119905543 13 Упругая шайба B6 1 07119932072 AE 13 Упругая шайба B6 1 07119932099 13 Упругая шайба B6-ZNS3 1 07119904496 E 14 Гайка шестигранная M8-ZNS 2 07119922856 E 14 Гайка шестигранная M8-8-ZNS3 2 08.1991 07119904032 14 Гайка шестигранная M8-8-ZNNIV SI 2 07119905515 15 Защитный колпак 1 61611370387 16 Гайка шестигранная 2 61618744121 17 Прокладочная шайба 1 61611353835 18 Кольцо 1 61611353766 19 Демпфирующее кольцо 18X28X6 1 61611353754 20 Проставка 1 61611370005 21 Демпфирующее кольцо 20X33X5 1 61611355821 22 Крепление 1 61611372780 E 23 Демпфирующее кольцо 1 61611372676 24 втулка шарнира 1 61611372677 25 Щиток 1 64111370997 E 26 Гайка шестигранная M6-Z2 4 08.1991 51451868108 AE 26 Гайка шестигранная с шайбой M6 4 07147134319 27 Болт с шестигранной головкой с шайбой M6X20-Z2 1 07119913580 AE 27 Болт с шестигранной головкой M6X20-U2-8.8 1 07119903995 28 Гофрированный чехол кривошипа D=16MM 1 61611370649 29 Прокладочная шайба 1 61618444182