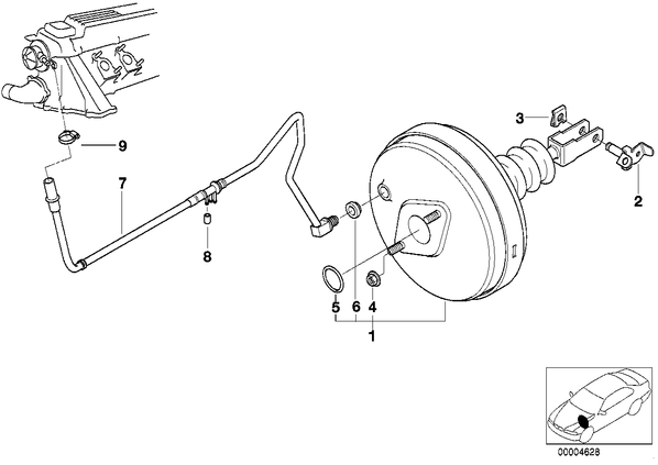
Вакуумный усилитель тормозов для БМВ E36, модель 325tds
| № | Наименование | Дополнение | Кол-во | Вып. с | Вып. до | Номер | AE |
|---|---|---|---|---|---|---|---|
| 01 | Усилитель тормозов | 1 | 34331162963 | ||||
| только в комбинации с | |||||||
| -- | Гайка с буртиком самоконтрящаяся | M8-10 ZNS3 | 4 | 07119905374 | |||
| 02 | Штифт | 1 | 34331158496 | ||||
| 03 | Предохранитель | B10-ZNS3 | 1 | 07129904567 | |||
| 04 | Кольцо кругл.сеч.глав.тормозн.цилиндра | 1 | 34311160617 | ||||
| 05 | Гайка шестигранная самоконтрящаяся | M8-8-ZNNI SI | 2 | 07129906196 | |||
| 06 | уплотнительная прокладка | 1 | 34336765316 | ||||
| 08 | Колпачок | D=3,5MM | 3 | 11611437560 | |||
| 09 | хомут | 21,3MM | 2 | 11151726339 |