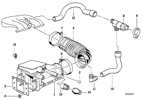
Расходомер воздуха для БМВ E36, модель 318i M40
| № | Наименование | Дополнение | Кол-во | Вып. с | Вып. до | Номер | AE |
|---|---|---|---|---|---|---|---|
| Для автомобилей с | |||||||
| Отсутствие катализатора | S199A = нет | ||||||
| и | |||||||
| Катализатор | |||||||
| 01 | Оборотный расходомер воздуха с пер.каб. | 1 | 13627558785 | ||||
| Для автомобилей с | |||||||
| Отсутствие катализатора | S199A = да | ||||||
| и | |||||||
| Катализатор | |||||||
| 01 | Возвр.расходомер с потенц.рег.сод.CO | 1 | 13627547980 | ||||
| Для автомобилей с | |||||||
| Отсутствие катализатора | S199A = да | ||||||
| 02 | Колпачок | 1 | 13621363874 | E | |||
| 03 | Уплотнительная рамка | 1 | 13711705064 | ||||
| 04 | Стопорная гайка | M6 | 4 | 09.1994 | 51211803363 | AE | |
| 04 | Гайка шестигранная самоконтрящаяся | M6 | 4 | 07147153450 | |||
| 05 | гофрированный кожух | 1 | 13711727636 | ||||
| 06 | хомут | L71-78 | 1 | 07129952129 | |||
| 07 | хомут | L65-72 | 1 | 07129952127 | |||
| 08 | Клапан регулировки х.х.L-образный | 1 | 13411435995 | ||||
| 09 | Резиновый раструб | 1 | 13411721974 | ||||
| 10 | Шланг | 1 | 13411727930 | ||||
| 11 | Соединительная деталь | 1 | 11151277301 | ||||
| 12 | Шланг | 1 | 13411727729 | ||||
| 13 | Корпус вилки разъема | 7 POL. | 1 | 12521718126 | |||
| 14 | наконечник | 1 | 12521737944 | ||||
| 15 | Держатель провода | D8 | 1 | 12531721040 |