33_0004
редуктор главной передачи
 |
33_0146
Крышка карт.редукт.зад.моста/ имп.датчик
 |
33_0152
їЮФТХбЪР аХФгЪвЮаР ЧРФЭХУЮ ЬЮбвР
 |
33_0762
Подшипники фланца, ст.привода/упл.кольцо
 |
33_0382
Э/гидравлич.блокировка-гидроагрегат/ЭБУ
 |
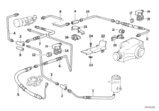
33_0381
Э/гидр.блокировка-трубопров./элем.крепл.
 |
33_0495
выходной вал
 |
33_0219
балка заднего моста
 |
33_0221
Балка заднего моста/подвеска колеса
 |
33_0226
Балка задн.мос./выкл.сигн.лам.разв.кол.
 |
33_0168
Полуось задн.моста/подшипн.ступ.колеса
 |
33_0539
Аморт.стойка Зд регулир.дорожн.просвета
 |
33_0859
Витая пружина Зд
 |
33_0283
стабилизатор задний
 |
33_0741
Сист.регулир.дор.просв./пневмоаккумул.
 |
33_0383
Система регулир.дорож.просв./провода Пд
 |
33_0764
Система регулир.дорож.просв./провода Зд
 |
33_0352
Сист.рег.дор.просв./рег.клапан/доп.элем.
 |