Запчасти БМВ E46, 323Ci руль L, КПП N, год 1998, месяц март. Группа 25 «Механизм переключения передач»
|
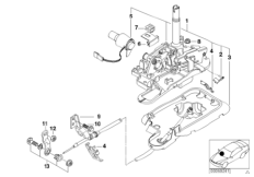
25_0375 Механизм переключения передач МКПП |
25_0239 Головки / крышки рычага ПП |
25_0461 Ручка рычага МКПП Performance |
|
25_0246 Механизм ПП стептроник АКПП |
25_0307 Ручки рычага управления / кожухи |