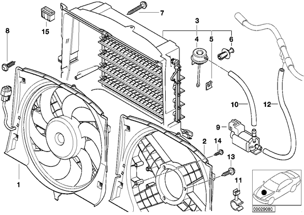
Кожух вентилятора-дополнительн.элементы для БМВ E46, модель 320d M47
| № | Наименование | Дополнение | Кол-во | Вып. с | Вып. до | Номер | AE |
|---|---|---|---|---|---|---|---|
| Для автомобилей с | |||||||
| МКПП | |||||||
| 01 | Кожух вентилятора с вентилятором | 1 | 17117801423 | ||||
| Для автомобилей с | |||||||
| МКПП | |||||||
| 02 | кожух вентилятора | 1 | 17117790897 | ||||
| Для автомобилей с | |||||||
| МКПП | |||||||
| 03 | Жалюзи | 1 | 17117786682 | ||||
| Для автомобилей с | |||||||
| МКПП | |||||||
| 04 | Мембрана вакуумного регулятора | 1 | 17327785060 | ||||
| Для автомобилей с | |||||||
| МКПП | |||||||
| 05 | Скоба | A5 | 1 | 07129934906 | |||
| Для автомобилей с | |||||||
| МКПП | |||||||
| 06 | заклепка с распорной втулкой | 1 | 17111712963 | ||||
| Для автомобилей с | |||||||
| МКПП | |||||||
| 07 | Винт (саморез) | D6X40 ZNS3 | 1 | 17117536972 | |||
| Для автомобилей с | |||||||
| МКПП | |||||||
| 08 | Винт (саморез) | D6X20 ZNS3 | 5 | 17117536971 | |||
| Для автомобилей с | |||||||
| МКПП | |||||||
| 09 | Электромагнитный клапан | 1 | 11747810831 | ||||
| Для автомобилей с | |||||||
| МКПП | |||||||
| 10 | Вакуумный шланг Weiss | 3,5X2,0 | X | 11658507249 | |||
| Для автомобилей с | |||||||
| МКПП | |||||||
| 11 | Держатель шланга | 1 | 09.2001 | 11781717024 | |||
| Для автомобилей с | |||||||
| МКПП | |||||||
| 12 | Вакуумный шланг Schwarz | 3,5X1,8 | X | 09.2001 | 11727545323 | ||
| Для автомобилей с | |||||||
| МКПП | |||||||
| 13 | Болт с цилиндрической головкой | M5X16 | 3 | 17427612897 | |||
| Для автомобилей с | |||||||
| МКПП | |||||||
| 14 | винт | K40X18 | 4 | 64548377799 | |||
| Для автомобилей с | |||||||
| МКПП | |||||||
| 15 | Резинометаллический шарнир | 2 | 64118391475 |