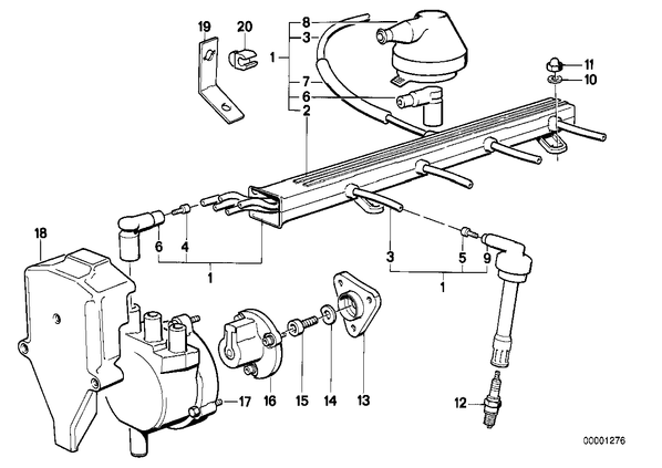
Запчасти из Германии / Запчасти БМВ / Запчасти E30 / 320is / Группы запчастей / Группа 12 «Электрооборудование двигателя» / Жгут проводов высокого напряжения Жгут проводов высокого напряжения для БМВ E30, модель 320is № Наименование Дополнение Кол-во Вып. с Вып. до Номер AE 01 Жгут проводов высокого напряжения 1 12121311803 E 01 Жгут проводов высокого напряжения 1 12121311735 02 Кабелепровод провода высокого напряжения 1 07.1991 12121309111 E 02 Кабелепровод провода высокого напряжения 1 12122455426 03 Провод высокого напряжения X 12121705675 04 Гильза для защиты жил кабеля 6 12121304467 04 Гильза для защиты жил кабеля 6 12121309934 05 Гильза для защиты жил кабеля 4 12121304467 06 Помехоподавляющий штекер 1000-OHM 6 12121311601 только в комбинации с -- Гильза для защиты жил кабеля 6 12121304467 07 Защитный шланг DU 7,1MM X 12121310877 E 08 Защитный колпачок 1 09.1990 12121284464 E 08 Защитный колпачок 1 12121727606 09 Наконечник провода к свече зажигания 5000-OHM 4 12121309930 10 Упругая шайба B6 2 07119932072 AE 10 Упругая шайба B6 2 07119932099 10 Упругая шайба B6-ZNS3 2 07119904496 E 11 Колпачковая гайка, хромированная M6-8-CR 2 07119924324 13 Адаптер 1 12111309691 14 Упругая шайба B8 1 07.1991 07119932095 AE 14 Упругая шайба 1 07119904115 15 Болт с цилиндрической головкой с шайбой M8X25-Z3 1 07119920022 16 Ротор распределителя зажигания 1 12.1988 12111312157 только в комбинации с -- Крышка распределителя зажигания 1 12.1988 12111312160 17 Крышка распределителя зажигания 1 12.1988 12111312160 17 Прокладочная шайба A5,3-140 HV-ZNS 3 07.1991 07119931029 E 17 Washer 10X5,3X1-200 HV 3 07119904206 17 Прокладочная шайба 5,3-140 HV-ZNS 3 07119936439 17 Прокладочная шайба 5,3 SW 3 07.1991 07119931030 E 17 шайба A5,3-ZNS 3 07119902255 E 19 Кронштейн 1 12121360790 E 20 Кронштейн 1 12121360791 AE