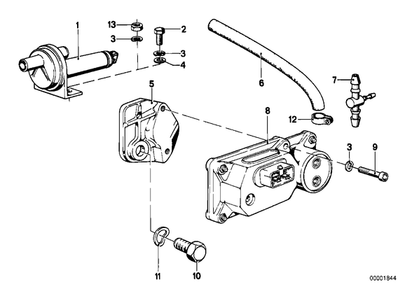
Дополнительная воздушная заслонка для БМВ E12, модель 518i
| № | Наименование | Дополнение | Кол-во | Вып. с | Вып. до | Номер | AE |
|---|---|---|---|---|---|---|---|
| Для автомобилей с | |||||||
| Исполнение для Швеции | |||||||
| 01 | Дополнительная воздушная заслонка | 1 | 10.1975 | 09.1980 | 13631271681 | ||
| 03 | Упругая шайба | B6 | 4 | 07119932099 | |||
| 03 | Упругая шайба | B6-ZNS3 | 4 | 07119904496 | E | ||
| 05 | Промежуточная пластина | 1 | 13631360315 | E | |||
| 06 | Топливный шланг | 8X13MM | 1 | 06.1996 | 13311722262 | E | |
| 06 | Топливный шланг | 8X13MM | 1 | 16121180409 | |||
| Для автомобилей с | |||||||
| Исполнение для Швеции | |||||||
| 08 | Регулятор прогрева | 1 | 10.1975 | 13631359571 | E | ||
| 09 | Болт с цилиндрической головкой | M6X50 | 2 | 06.1981 | 07119919630 | AE | |
| 09 | Винт ISA | M6X50-8.8-ZNNIV | 2 | 07129905539 | |||
| 10 | Болт с шестигранной головкой | M10X25-8.8 ZN | 1 | 07119913834 | |||
| 11 | Упругая шайба | B10-ZN | 1 | 07119932112 | AE | ||
| 11 | Упругая шайба | B10-ZNS | 1 | 06.1981 | 07119932122 | E | |
| 11 | Упругая шайба | B10-ZNS3 | 1 | 07119904463 | |||
| 12 | хомут | L12-15 | 2 | 07129952104 | |||
| Для автомобилей с | |||||||
| Исполнение для Швеции | |||||||
| 13 | Гайка шестигранная | M6 | 2 | 10.1975 | 08.1996 | 23112322368 | E |
| Для автомобилей с | |||||||
| Исполнение для Швеции | |||||||
| 13 | Гайка шестигранная | M6-8-ZNS | 2 | 10.1975 | 07119922832 | AE | |
| Для автомобилей с | |||||||
| Исполнение для Швеции | |||||||
| 13 | Гайка шестигранная | M6-8-ZNNIV SI | 2 | 10.1975 | 07119905543 |