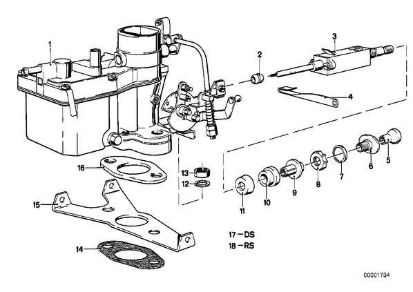
Карбюратор PDSI для БМВ E12, модель 518
| № | Наименование | Дополнение | Кол-во | Вып. с | Вып. до | Номер | AE |
|---|---|---|---|---|---|---|---|
| 01 | карбюратор | 1 | 07.1975 | 13111262780 | E | ||
| 02 | наконечник | 10,5MM | 1 | 07.1975 | 61218050550 | ||
| 03 | Приводной трос | 1 | 07.1975 | 13231355317 | E | ||
| 05 | Кнопка | 1 | 07.1975 | 13231359578 | E | ||
| 06 | Кронштейн троса привода | 1 | 07.1975 | 13231359239 | E | ||
| 07 | Упругая шайба | 32MM | 1 | 07.1975 | 13231359249 | E | |
| 08 | Резьбовое кольцо | 1 | 07.1975 | 13231359300 | E | ||
| 09 | Розетка | 1 | 07.1975 | 13231359593 | E | ||
| 10 | втулка | 1 | 07.1975 | 13231351010 | E | ||
| 11 | втулка | 1 | 07.1975 | 13231351009 | E | ||
| 12 | Прокладочная шайба | 8,4 | 2 | 07.1975 | 07119931697 | ||
| 13 | Гайка шестигранная с фланцем | M8 | 2 | 07.1975 | 11611713432 | AE | |
| 14 | уплотнительная прокладка | 3 | 07.1975 | 13110639040 | E | ||
| 15 | Кронштейн воздушного фильтра | 1 | 07.1975 | 13720739035 | E | ||
| 16 | Изолирующий фланец | 1 | 07.1975 | 13110639025 | |||
| 17 | Комплект уплотн.прокладок карбюратора | PDSI | 1 | 07.1975 | 13111705569 | ||
| 18 | Ремонтный комплект карбюратора | PDSI | 1 | 07.1975 | 13111289074 | ||
| 18 | Ремонтный комплект болты | 1 | 07.1975 | 13111709112 | E |