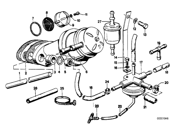
Запчасти из Германии / Запчасти БМВ / Запчасти E12 / 518 / Группы запчастей / Группа 13 «Подготовка и регулир. рабочей смеси» / Система подачи топлива/насос/фильтр Система подачи топлива/насос/фильтр для БМВ E12, модель 518 № Наименование Дополнение Кол-во Вып. с Вып. до Номер AE 01 Шток насоса 1 13311255727 02 Изолирующий фланец AF 1 11111721614 03 Изолирующая втулка 2 13310075752 04 Упругая шайба B8 2 06.1981 07119932095 AE 04 Упругая шайба 2 07119904115 05 Гайка шестигранная с фланцем M8 2 11611713432 AE 06 Топливный насос 1 09.1980 13311265193 07 Уплотнительное кольцо APG 1 09.1980 13311260982 E 07 уплотнительная прокладка F&S 1 09.1980 13319057875 E 08 Топливный фильтр APG 1 09.1980 13311260979 E 09 Колпачок APG 1 09.1980 13311260978 E 10 Уплотнительное кольцо 1 09.1980 13311260981 E 11 Болт с цилиндрической головкой 1 09.1980 13311260980 E 12 Упругая шайба B6 1 07119932099 12 Упругая шайба B6-ZNS3 1 07119904496 E 13 Болт с шестигранной головкой M6X12 1 07119913442 AE 13 Болт с шестигранной головкой M6X12-8.8-ZNNIV 1 07119905524 14 Кронштейн 1 13311261553 E 17 Клапан 1 13311259194 18 Топливный шланг 6X11MM X 13311272750 19 Дроссельное сопло 1 13311265430 21 Топливный шланг 8X13MM X 06.1996 13311722262 E 21 Топливный шланг 8X13MM X 16121180409 23 T-образный элемент 1 11731261489 24 хомут L10-12 4 01.1979 16111177646 AE 24 хомут L=9-12 4 07129952102 27 Топливный фильтр 6+8 MM 1 13321277497 27 Топливный фильтр 8 MM 1 13321278272 E