34_0011
Диск тормозного механизма перед.колеса
 |
34_0013
Датчик износа торм.накладки пер.колеса
 |
34_0065
Датчик износа торм.накладки колеса Зд
 |
34_0738
Трубопровод тормозного привода прямой
 |
34_0103
Трубопровод тормозного привода Пд
 |
34_0104
Трубопровод тормозного привода Пд
 |
34_0108
Трубопровод торм.привода Пд /крепление
 |
34_0134
Трубопровод тормозного привода Пд
 |
34_0111
Трубопровод тормозного привода Пд
 |
34_0113
Трубопровод торм.привода Пд /крепление
 |
34_0114
Трубопровод торм.привода Пд /крепление
 |
34_0118
Трубопровод тормозного привода Зд
 |
34_0119
Трубопровод торм.привода Зд/крепление
 |
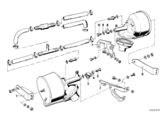
34_0206
Главный тормозной цилиндр
 |
34_0201
Главный тормозной цилиндр
 |
34_0436
Главный тормозной цилиндр
 |
34_0437
Расширительный бачок
 |
34_0441
Расширительный бачок
 |
34_0442
Вакуумный усилитель тормозов
 |
34_0253
Усилитель тормозов/крепление
 |
34_0261
Вакуумный усилитель тормозов
 |
34_0264
Усилитель тормозов/крепление
 |
34_0310
Стояночный тормоз/управление
 |
34_0311
Стояночный тормоз/управление
 |
34_0314
Стояночный тормоз/тормозные колодки
 |