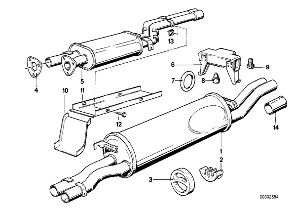
Система выпуска ОГ для БМВ E12, модель 528i
| № | Наименование | Дополнение | Кол-во | Вып. с | Вып. до | Номер | AE |
|---|---|---|---|---|---|---|---|
| 01 | Задний дополнительный глушитель | 1 | 18121246781 | ||||
| 02 | Прокладка | 1 | 18214490157 | ||||
| 03 | Резиновое кольцо | 1 | 08.2000 | 18211105638 | E | ||
| 03 | Резиновое кольцо | 1 | 18211105635 | ||||
| 03 | Резиновое кольцо | 1 | 18211105677 | E | |||
| 04 | Фланец | 1 | 18111102366 | ||||
| 05 | Передний дополнительный глушитель | 1 | 18121175118 | E | |||
| 06 | Кронштейн | 1 | 18211246247 | ||||
| 07 | Резиновое кольцо | 2 | 18211245113 | ||||
| 08 | Упорный буфер | 1 | 18211245935 | E | |||
| 09 | Болт с шестигранной головкой с шайбой | M10X30-Z2 | 1 | 07119913941 | |||
| 10 | Ограждение места сжигания травы | 1 | 18211175074 | E | |||
| 11 | Ограждение места сжигания травы | 1 | 18211246785 | E | |||
| 12 | Саморез с шестигранной головкой | ST6,3X16-C-Z2 | 8 | 07119916966 | |||
| 13 | Листовая гайка | ST6.3-10 | 8 | 07.1981 | 07129925719 | E | |
| 13 | Листовая гайка | ST6,3-10 | 8 | 07129901672 | |||
| 13 | Гайка | 8 | 18211176168 | ||||
| 14 | Насадка на выпуск.трубу, хром | 42 MM | 2 | 82119413972 |