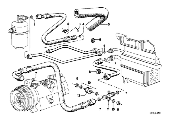
Клапан кондиционера/креплен.трубопровода для БМВ E12, модель 528i
| № | Наименование | Дополнение | Кол-во | Вып. с | Вып. до | Номер | AE |
|---|---|---|---|---|---|---|---|
| 01 | уплотнительная прокладка | 3/4" | 1 | 64531350489 | |||
| 02 | хомут | 1 | 64531352112 | E | |||
| 03 | Винт самонарезающий со сферич.головкой | ST5,5X13 | 1 | 07119907770 | E | ||
| 04 | уплотнительная прокладка | 5/8" | 2 | 64531350490 | E | ||
| 06 | Резиновая втулка | 18MM | 2 | 64211376130 | |||
| 07 | Коническое кольцо | D=20MM | 4 | 64531350491 | |||
| 08 | Резиновая втулка | 18MM | 1 | 64211376130 | |||
| 09 | Гайка шестигранная | M8-ZNS | 2 | 07119922856 | E | ||
| 09 | Гайка шестигранная | M8-8-ZNS3 | 2 | 07.1981 | 07119904032 | ||
| 09 | Гайка шестигранная | M8-8-ZNNIV SI | 2 | 07119905515 | |||
| 10 | Упругая шайба | B8 | 3 | 07.1981 | 07119932095 | AE | |
| 10 | Упругая шайба | 3 | 07119904115 | ||||
| 11 | золотник вентиля | 1 | 64521354981 | ||||
| 11 | Клапан | 1 | 64531356549 | E | |||
| 12 | Соединительный элемент | 1 | 64501356464 | E |